Side Entry Magnetic Agitator
Description
Side entry magnetic agitator adopts isolation sets static seal structure and uses strong magnetic field to deliver torque with non-contact, which can ensure permanent leak-free. This magnetic transmission side in mixer is generally used in flammable, explosive, high-pressure and toxic medium occasions.
Features of Side Entry Magnetic Agitator
1. Magnetic transmission side in mixer can reach the maximal stirring efficiency during the power consumption process. And its power consumption only occupies 1/3~2/3 of the common central mixers.
2. Having static seal structure and contact-free transmission torque, this side entry magnetic agitator offers permanent zero-leakage.
3. The type of this magnetic transmission side in mixer and the length of shaft can also be designed and manufactured according to the requirements of users.
Notice
Users need to specify using temperature and pressure, and decide whether containing the solid particles and corrosive medium when selecting the model of this side entry magnetic agitator.
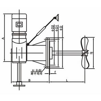
Main Technical Standards of Side Entry Magnetic Mixer Machine
| Series | Speed (rpm) | Power | A | B | D | D1 | D2 | f | n-do | DJ | Weight |
| CMC100 | 0-500 | 2.2 | 800 | 863 | 360 | 320 | 260 | 2 | 12-φ18 | 100-350 | 266 |
| 3 | |||||||||||
| CMC200 | 0-500 | 4 | 850 | 783 | 490 | 445 | 413 | 3 | 16-φ22 | 300-450 | 533 |
| 5.5 | |||||||||||
| CMC600 | 0-500 | 7.5 | 1050 | 819 | 595 | 555 | 518 | 3 | 20-φ26 | 400-550 | 795 |
| CMC800 | 0-500 | 11 | 1380 | 1023 | 750 | 705 | 667 | 5 | 20-φ26 | 500-600 | 1050 |
| CMC1200 | 0-500 | 15 | 1380 | 1023 | 860 | 810 | 772 | 5 | 24-φ26 | 500-700 | 1238 |
We offer various magnetic agitators such as magnetic transmission side in mixer, top entry magnetic mixer machine and bottom entry magnetic agitator for clients to select. We are professional manufacturer and supplier of side entry magnetic agitator and mixing equipment in China. We have been in this field for 10 years. We emphasize introducing new technology and technique. Our ZZ brand magnetic mixer machines are named as famous products and brand trademark, which are received the trust of customers at home and abroad.

- Top Entry Magnetic MixersMagnetic transmission top in mixer adopts static seal structure of isolation sets and uses strong magnetic field to deliver torque with non-contact, which can ensure permanent leak-free. This top entry mixer is generally used in flammable, explosive, high-pressure and toxic medium occasions...





